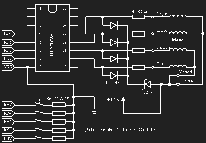
A la tardor de 2012 hem fet un projecte sobre els modes de funcionament del motor pas a pas. Disposàvem d'una placa que es podia acoblar a la del PICkit 2 i que portava el motor pas a pas, un circuit integrat driver (ULN2003A), un polsador i quatre interruptors així com els díodes i resistències necessaris. L'esquema de la placa és el següent:

Els tres modes de funcionament corresponen a les taules següents (per als dos sentits de gir):
| Wave drive | Full step | Half step | ||||||||||||
| Sentit 1 | Sentit 2 | Sentit 1 | Sentit 2 | Sentit 1 | Sentit 2 | |||||||||
| 1 | RC4 | RC4 | 1 | RC4 | RC7 | RC4 | RC6 | 1 | RC4 | RC7 | RC4 | RC6 | ||
| 2 | RC7 | RC6 | 2 | RC7 | RC5 | RC6 | RC5 | 2 | RC7 | RC6 | ||||
| 3 | RC5 | RC5 | 3 | RC5 | RC6 | RC5 | RC7 | 3 | RC7 | RC5 | RC6 | RC5 | ||
| 4 | RC6 | RC7 | 4 | RC6 | RC4 | RC7 | RC4 | 4 | RC5 | RC5 | ||||
| 5 | RC5 | RC6 | RC5 | RC7 | ||||||||||
| 6 | RC6 | RC7 | ||||||||||||
| 7 | RC6 | RC4 | RC7 | RC4 | ||||||||||
| 8 | RC4 | RC4 | ||||||||||||
Quan es configura el microcontrolador no només cal definir quins ports són d'entrada i quins de sortida sinó que també en el cas de les entrades cal activar les resistències de pull-up. Aquestes resistències permeten que el circuit extern sigui més senzill ja que només cal el polsador (o interruptor) i una resistència. Si no féssim servir les resistències de pull-up internes caldria connectar també una resistència externa entre cada entrada i el positiu de l'alimentació. També cal desactivar totes les entrades analògiques que no fem servir. L'activació de les resistències de pull-up del port A es fa posant a 1 el bit corresponent del registre WPUA (banc 1) i les del port B amb el del WPUB (banc 2).
A continuació posarem els programes realitzats pels grups. Estan tal com els han deixat i tenint present que no els va donar temps de simplificar-los o millorar-los. També pot ser que hi hagi errades ortogràfiques.

Aquesta obra d'Oriol Boix està llicenciada sota una llicència no importada Reconeixement-NoComercial-SenseObraDerivada 3.0.